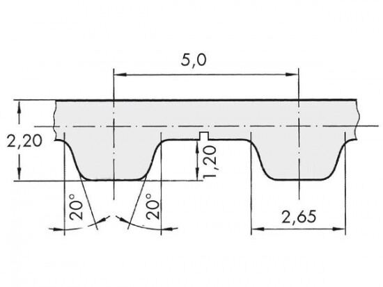
Řemen ozubený 100 T5 / 10000 AFX optibelt ALPHA FLEX

Řemen ozubený 100 T5 / 10000 AFX optibelt ALPHA FLEX

Kód produktu: 
4044978619426
Dostupnost:
Na dotaz
64 515 Kč
53 318 Kč bez DPH