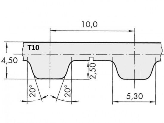
Řemen ozubený 100 T10 / 9200 AFX optibelt ALPHA FLEX

Řemen ozubený 100 T10 / 9200 AFX optibelt ALPHA FLEX

Kód produktu: 
4044978602350
Dostupnost:
Na dotaz
65 914 Kč
54 475 Kč bez DPH