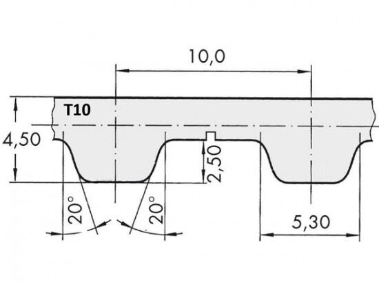
Řemen ozubený 100 T10 / 7600 AFX optibelt ALPHA FLEX

Řemen ozubený 100 T10 / 7600 AFX optibelt ALPHA FLEX

Kód produktu: 
4044978605818
Dostupnost:
Na dotaz
54 378 Kč
44 941 Kč bez DPH