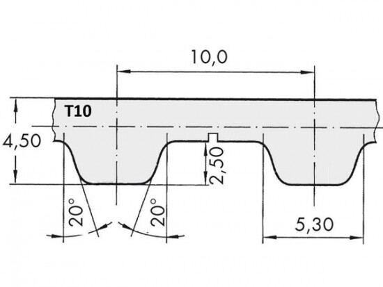
Řemen ozubený 100 T10 / 6800 AFX optibelt ALPHA FLEX

Řemen ozubený 100 T10 / 6800 AFX optibelt ALPHA FLEX

Kód produktu: 
4044978588340
Dostupnost:
Na dotaz
48 632 Kč
40 192 Kč bez DPH