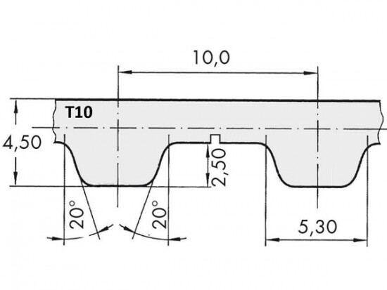
Řemen ozubený 100 T10 / 6600 AFX optibelt ALPHA FLEX

Řemen ozubený 100 T10 / 6600 AFX optibelt ALPHA FLEX

Kód produktu: 
4044978587824
Dostupnost:
Na dotaz
47 140 Kč
38 959 Kč bez DPH