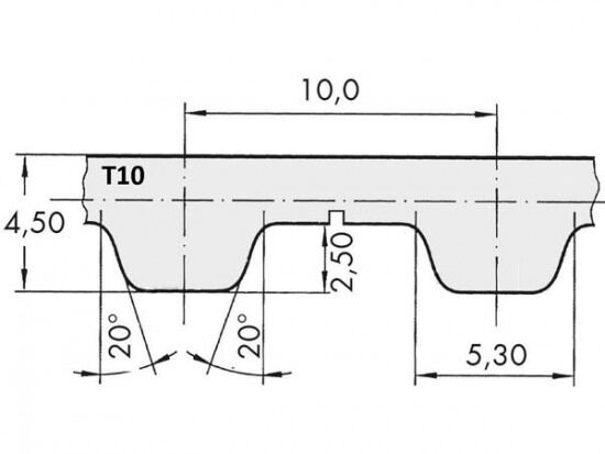
Řemen ozubený 100 T10 / 6400 AFX optibelt ALPHA FLEX

Řemen ozubený 100 T10 / 6400 AFX optibelt ALPHA FLEX

Kód produktu: 
4044978593689
Dostupnost:
Na dotaz
45 759 Kč
37 817 Kč bez DPH