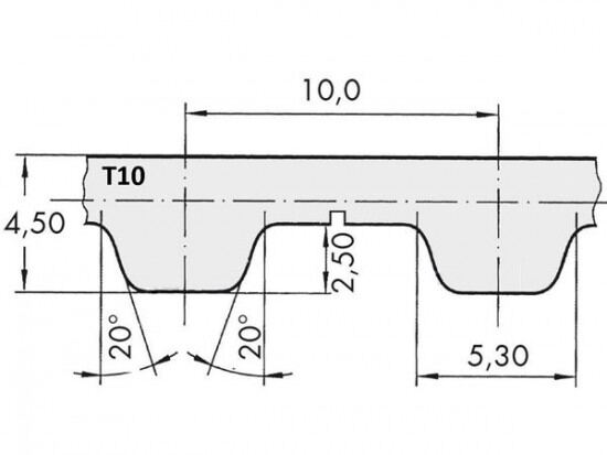
Řemen ozubený 100 T10 / 6200 AFX optibelt ALPHA FLEX

Řemen ozubený 100 T10 / 6200 AFX optibelt ALPHA FLEX

Kód produktu: 
4044978596338
Dostupnost:
Na dotaz
44 312 Kč
36 622 Kč bez DPH