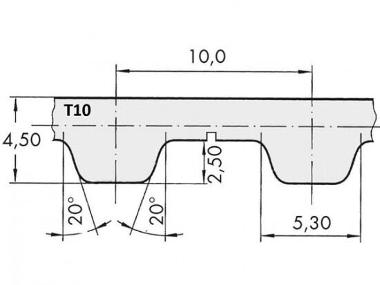
Řemen ozubený 100 T10 / 5800 AFX optibelt ALPHA FLEX

Řemen ozubený 100 T10 / 5800 AFX optibelt ALPHA FLEX

Kód produktu: 
4044978589743
Dostupnost:
Na dotaz
41 530 Kč
34 322 Kč bez DPH