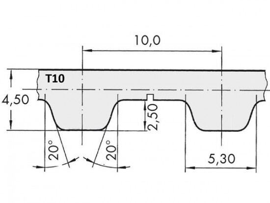
Řemen ozubený 100 T10 / 5400 AFX optibelt ALPHA FLEX

Řemen ozubený 100 T10 / 5400 AFX optibelt ALPHA FLEX

Kód produktu: 
4044978591852
Dostupnost:
Na dotaz
39 118 Kč
32 329 Kč bez DPH