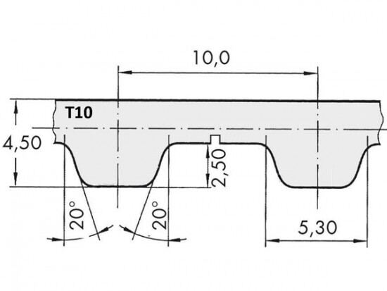
Řemen ozubený 100 T10 / 5200 AFX optibelt ALPHA FLEX

Řemen ozubený 100 T10 / 5200 AFX optibelt ALPHA FLEX

Kód produktu: 
4044978584687
Dostupnost:
Na dotaz
37 096 Kč
30 658 Kč bez DPH