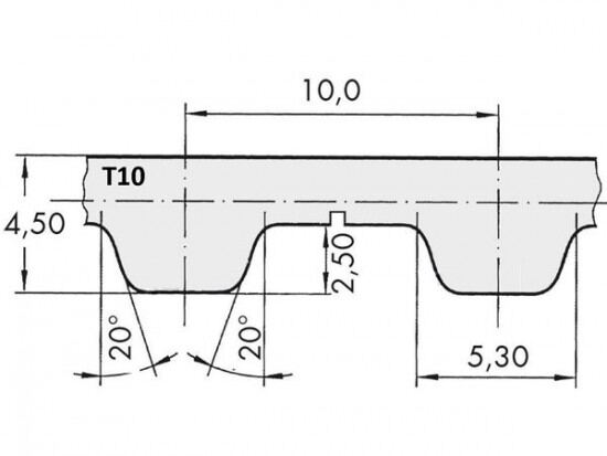
Řemen ozubený 100 T10 / 4600 AFX optibelt ALPHA FLEX

Řemen ozubený 100 T10 / 4600 AFX optibelt ALPHA FLEX

Kód produktu: 
4044978591951
Dostupnost:
Na dotaz
32 729 Kč
27 048 Kč bez DPH