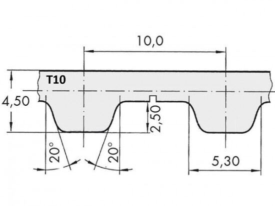
Řemen ozubený 100 T10 / 4400 AFX optibelt ALPHA FLEX

Řemen ozubený 100 T10 / 4400 AFX optibelt ALPHA FLEX

Kód produktu: 
4014486089936
Dostupnost:
Na dotaz
31 282 Kč
25 853 Kč bez DPH