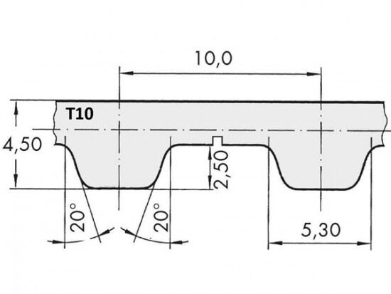
Řemen ozubený 100 T10 / 4000 AFX optibelt ALPHA FLEX

Řemen ozubený 100 T10 / 4000 AFX optibelt ALPHA FLEX

Kód produktu: 
4044978597526
Dostupnost:
Na dotaz
28 822 Kč
23 820 Kč bez DPH