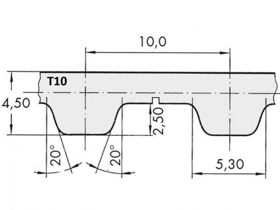
Řemen ozubený 100 T10 / 3600 AFX optibelt ALPHA FLEX

Řemen ozubený 100 T10 / 3600 AFX optibelt ALPHA FLEX

Kód produktu: 
4014486089691
Dostupnost:
Na dotaz
25 511 Kč
21 084 Kč bez DPH