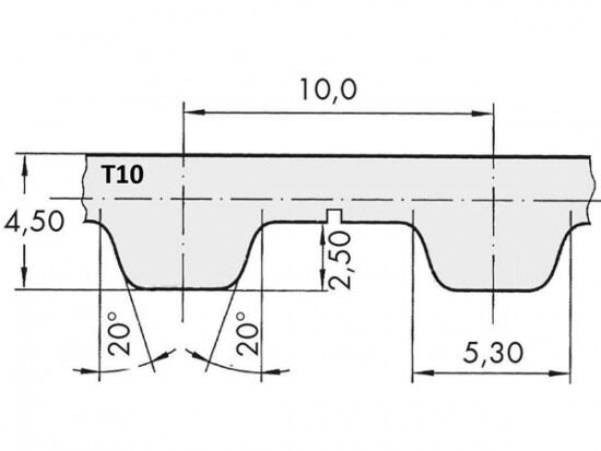
Řemen ozubený 100 T10 / 3400 AFX optibelt ALPHA FLEX

Řemen ozubený 100 T10 / 3400 AFX optibelt ALPHA FLEX

Kód produktu: 
4014486089639
Dostupnost:
Na dotaz
23 787 Kč
19 659 Kč bez DPH