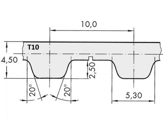
Řemen ozubený 100 T10 / 3200 AFX optibelt ALPHA FLEX

Řemen ozubený 100 T10 / 3200 AFX optibelt ALPHA FLEX

Kód produktu: 
4014486089578
Dostupnost:
Na dotaz
22 477 Kč
18 576 Kč bez DPH