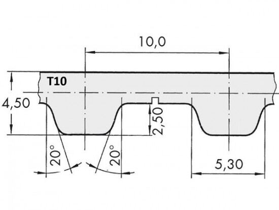
Řemen ozubený 100 T10 / 2900 AFX optibelt ALPHA FLEX

Řemen ozubený 100 T10 / 2900 AFX optibelt ALPHA FLEX

Kód produktu: 
4014486089455
Dostupnost:
Na dotaz
20 341 Kč
16 811 Kč bez DPH