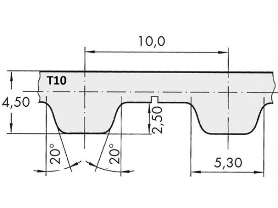
Řemen ozubený 100 T10 / 2800 AFX optibelt ALPHA FLEX

Řemen ozubený 100 T10 / 2800 AFX optibelt ALPHA FLEX

Kód produktu: 
4014486089394
Dostupnost:
Na dotaz
19 674 Kč
16 259 Kč bez DPH