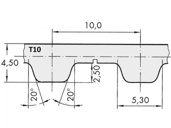
Řemen ozubený 100 T10 / 2700 AFX optibelt ALPHA FLEX

Řemen ozubený 100 T10 / 2700 AFX optibelt ALPHA FLEX

Kód produktu: 
4044978597441
Dostupnost:
Na dotaz
18 961 Kč
15 670 Kč bez DPH