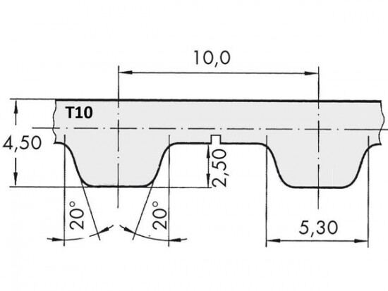
Řemen ozubený 100 T10 / 2500 AFX optibelt ALPHA FLEX

Řemen ozubený 100 T10 / 2500 AFX optibelt ALPHA FLEX

Kód produktu: 
4014486089219
Dostupnost:
Na dotaz
17 584 Kč
14 532 Kč bez DPH