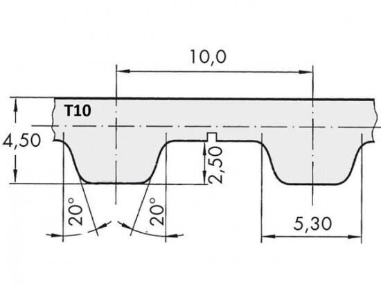
Řemen ozubený 100 T10 / 2200 AFX optibelt ALPHA FLEX

Řemen ozubený 100 T10 / 2200 AFX optibelt ALPHA FLEX

Kód produktu: 
4044978585714
Dostupnost:
Na dotaz
15 515 Kč
12 822 Kč bez DPH