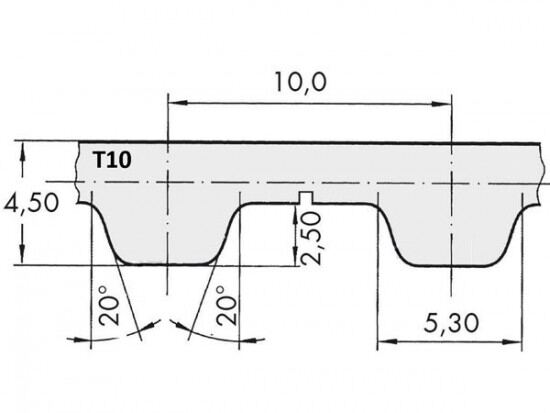
Řemen ozubený 100 T10 / 1800 AFX optibelt ALPHA FLEX

Řemen ozubený 100 T10 / 1800 AFX optibelt ALPHA FLEX

Kód produktu: 
4044978584700
Dostupnost:
Na dotaz
12 350 Kč
10 206 Kč bez DPH