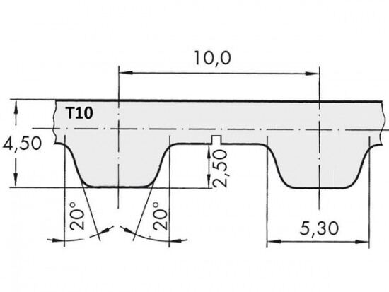
Řemen ozubený 100 T10 / 1300 AFX optibelt ALPHA FLEX

Řemen ozubený 100 T10 / 1300 AFX optibelt ALPHA FLEX

Kód produktu: 
4014486833331
Dostupnost:
Na dotaz
10 356 Kč
8 558 Kč bez DPH