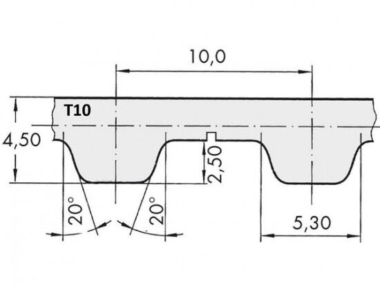
Řemen ozubený 100 T10 / 12000 AFX optibelt ALPHA FLEX

Řemen ozubený 100 T10 / 12000 AFX optibelt ALPHA FLEX

Kód produktu: 
4044978603012
Dostupnost:
Na dotaz
86 119 Kč
71 173 Kč bez DPH