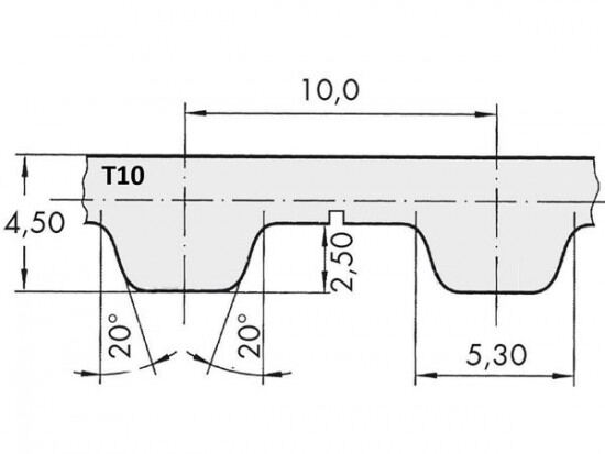
Řemen ozubený 100 T10 / 11600 AFX optibelt ALPHA FLEX

Řemen ozubený 100 T10 / 11600 AFX optibelt ALPHA FLEX

Kód produktu: 
4044978620033
Dostupnost:
Na dotaz
83 221 Kč
68 778 Kč bez DPH