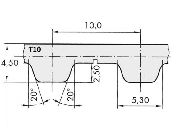
Řemen ozubený 100 T10 / 11200 AFX optibelt ALPHA FLEX

Řemen ozubený 100 T10 / 11200 AFX optibelt ALPHA FLEX

Kód produktu: 
4044978607409
Dostupnost:
Na dotaz
80 350 Kč
66 405 Kč bez DPH