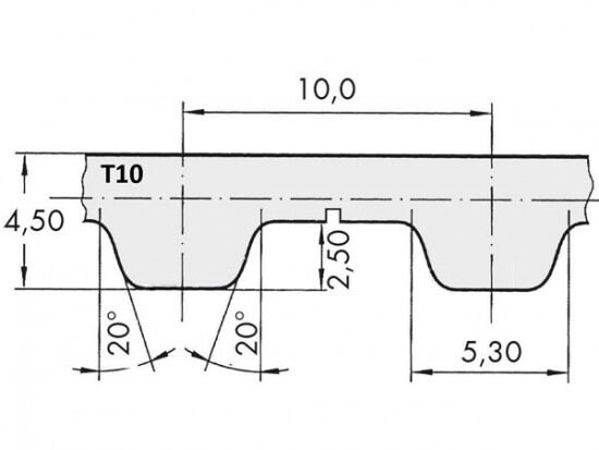
Řemen ozubený 100 T10 / 10800 AFX optibelt ALPHA FLEX

Řemen ozubený 100 T10 / 10800 AFX optibelt ALPHA FLEX

Kód produktu: 
4044978614773
Dostupnost:
Na dotaz
77 477 Kč
64 030 Kč bez DPH