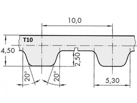
Řemen ozubený 100 T10 / 10600 AFX optibelt ALPHA FLEX

Řemen ozubený 100 T10 / 10600 AFX optibelt ALPHA FLEX

Kód produktu: 
4044978609830
Dostupnost:
Na dotaz
75 984 Kč
62 797 Kč bez DPH