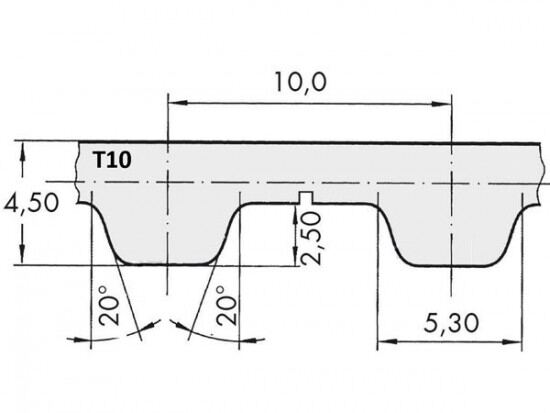
Řemen ozubený 100 T10 / 10000 AFX optibelt ALPHA FLEX

Řemen ozubený 100 T10 / 10000 AFX optibelt ALPHA FLEX

Kód produktu: 
4014486448986
Dostupnost:
Na dotaz
71 685 Kč
59 244 Kč bez DPH